Contamarce 650 prima serie ( carburatori ) autocostruito

Qui possiamo parlare di tutto il mondo delle due ruote, farci vedere le ultime tue modifiche effettuate alla moto e vantarsi delle ultime sverniciate ai danni di qualche altra moto :)
Denethor
Smanettone
Smanettone
Messaggi: 590
Iscritto il: mer feb 23, 2011 1:42 pm
Moto: Suzuki SV 650 S K5
Località: Tivoli (RM)

R: Contamarce 650 prima serie ( carburatori ) autocostruito

Messaggio da Denethor » lun set 24, 2012 8:42 pm

Sì c'è un filo rosa, uno blu ed uno bianco nero

Se ti vuoi fare un'idea sul gipro http://sv650.metromain.net/sv_pics/gipr ... ctions.pdf
Queste sono le istruzioni di montaggio

Inviato dal mio ViewSonic-V350 utilizzando Tapatalk 2

ghino46
Postino
Postino
Messaggi: 245
Iscritto il: gio giu 28, 2012 10:59 am
Moto: SV650n
Località: Sulmona(AQ)

Re: Contamarce 650 prima serie ( carburatori ) autocostruito

Messaggio da ghino46 » mar set 25, 2012 4:08 pm

ma questo per noi non va bene? http://www.ebay.com/itm/140495692859?it ... 3b&vxp=mtr" onclick="window.open(this.href);return false;

dip
Pilota Ufficiale
Pilota Ufficiale
Messaggi: 4905
Iscritto il: dom lug 25, 2010 11:42 am
Moto: SV 650 K2
Nome: Stefano
Località: Faenza ( Ra )

Re: Contamarce 650 prima serie ( carburatori ) autocostruito

Messaggio da dip » mer set 26, 2012 2:42 am

Ghino, riesco a risponderti solo ora.
Potrebbe andare bene, dovrebbe essere come quello della K3 in poi, bisogna vedere la profondità di incasso. non posso tornare a rompere le scatole al ricambista, ma credo che ci sia da limare la base per portare a contatto i contatti.
Se e ripeto se ci sta, con questo si potrebbe installare il Gipro indicato da Denethor.
La spia della folle e il circuito del cavalletto dovrebbero funzionare ugualmente ( filo blu ).
Non si avrà la limiazione di potenza in 2à e 3à ( meglio )perchè nella 99/02 è elettrica, non elettronica gestita dal filo rosa tramite le tensioni.
E' da sperimentare.
Immagine
Ora che so di non sapere, sto imparando ad imparare

ghino46
Postino
Postino
Messaggi: 245
Iscritto il: gio giu 28, 2012 10:59 am
Moto: SV650n
Località: Sulmona(AQ)

Re: Contamarce 650 prima serie ( carburatori ) autocostruito

Messaggio da ghino46 » mer set 26, 2012 8:58 am

Se il problema rimane solo la profondità basta che si lima come dici tu. L'importante che le asole dei fori combaciano così come i contatti :D

dip
Pilota Ufficiale
Pilota Ufficiale
Messaggi: 4905
Iscritto il: dom lug 25, 2010 11:42 am
Moto: SV 650 K2
Nome: Stefano
Località: Faenza ( Ra )

R: Contamarce 650 prima serie ( carburatori ) autocostruito

Messaggio da dip » mer set 26, 2012 9:33 am

Dell'originale posso darti le misure, del GSX 03 non so dove trovarle. A occhio dalla foto sembra che combacino

Inviato dal mio ST25i con Tapatalk 2
Immagine
Ora che so di non sapere, sto imparando ad imparare

ghino46
Postino
Postino
Messaggi: 245
Iscritto il: gio giu 28, 2012 10:59 am
Moto: SV650n
Località: Sulmona(AQ)

Re: Contamarce 650 prima serie ( carburatori ) autocostruito

Messaggio da ghino46 » mer set 26, 2012 11:15 am

Dalle foto si vede che il GPS ha un incavo dove si applica la guarnizione. Andando a limare si va a perderla quindi poi come guarnizione cosa hai usato?

dip
Pilota Ufficiale
Pilota Ufficiale
Messaggi: 4905
Iscritto il: dom lug 25, 2010 11:42 am
Moto: SV 650 K2
Nome: Stefano
Località: Faenza ( Ra )

R: Contamarce 650 prima serie ( carburatori ) autocostruito

Messaggio da dip » mer set 26, 2012 11:51 am

Quello che ho adattato non ha incavi, ho usato la sua guarnizione originale.
Comunque se la battuta diventa pari,non è un problema, nel carter della 02 c'è l'alloggiamento per la guarnizione

Inviato dal mio ST25i con Tapatalk 2
Immagine
Ora che so di non sapere, sto imparando ad imparare

dip
Pilota Ufficiale
Pilota Ufficiale
Messaggi: 4905
Iscritto il: dom lug 25, 2010 11:42 am
Moto: SV 650 K2
Nome: Stefano
Località: Faenza ( Ra )

R: Contamarce 650 prima serie ( carburatori ) autocostruito

Messaggio da dip » ven set 28, 2012 3:25 pm

Aggiornamento
Sto procedendo con la realizzazione dell'indicatore vero e proprio.
Anzi,degli indicatori, uno a "numeri ", l'altro, più semplice, a led.
Appena finiti completo la guida

Inviato dal mio ST25i con Tapatalk 2
Immagine
Ora che so di non sapere, sto imparando ad imparare

dip
Pilota Ufficiale
Pilota Ufficiale
Messaggi: 4905
Iscritto il: dom lug 25, 2010 11:42 am
Moto: SV 650 K2
Nome: Stefano
Località: Faenza ( Ra )

Re: Contamarce 650 prima serie ( carburatori ) autocostruito

Messaggio da dip » lun ott 01, 2012 12:50 am

Già che uno ha poco tempo...
Ho duvuto smontare e rifare il collegamento di massa ( il conduttore che esce dal corpo del GPS ) perchè ho notato una piccola perdita di olio.
In realtà minima, ma presente.
Dovrei avere risolto, quindi ho modificato la guida all'inizio del post, dalla 2à parte in poi, sostituendo le foto.
Quindi non sono riuscito a completare il display

:testacalda: :ghiglio: :devfuck: :impiccati:
Sostituite voi con una adeguata sfilza di improperi.

Spero in settimana, mi sta facendo andare giù di testa.
Più che altro nella progettazione, la realizzazione sarà una caxxata alla portata di tanti, quantomeno di chi sa usare uno stagnatore.

Altrementi non sarebbe autocostruito. :wink:
Immagine
Ora che so di non sapere, sto imparando ad imparare

emmeand
Pilota Ufficiale
Pilota Ufficiale
Messaggi: 2403
Iscritto il: lun mag 09, 2005 12:39 pm
Moto: SV650S'99 ZX636R'04
Località: Faenza
Contatta:

Re: Contamarce 650 prima serie ( carburatori ) autocostruito

Messaggio da emmeand » mar ott 02, 2012 3:33 pm

... Si vede quanto siamo avanti noi Faentini ...

Bel lavoro. Mi piacerebbe farlo sulla mia '99. Ho gia comprato lo stagnatore... appena avrò imparato a usarlo...

domanda... il ricambista sarà mica Ballestri??

Ciao!
"GAS A TÚB AVÉRT, E FRÈNA A L'ULTUM MINUT".

Immagine

dip
Pilota Ufficiale
Pilota Ufficiale
Messaggi: 4905
Iscritto il: dom lug 25, 2010 11:42 am
Moto: SV 650 K2
Nome: Stefano
Località: Faenza ( Ra )

R: Contamarce 650 prima serie ( carburatori ) autocostruito

Messaggio da dip » mar ott 02, 2012 8:23 pm

Esatto, È Ballestri

Inviato dal mio ST25i con Tapatalk 2
Immagine
Ora che so di non sapere, sto imparando ad imparare

dip
Pilota Ufficiale
Pilota Ufficiale
Messaggi: 4905
Iscritto il: dom lug 25, 2010 11:42 am
Moto: SV 650 K2
Nome: Stefano
Località: Faenza ( Ra )

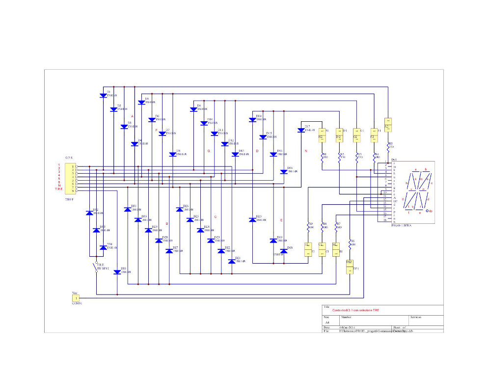
Contamarce 650 prima serie autocostruito: Display

Messaggio da dip » ven ott 05, 2012 12:16 am

Grazie a corrado.g1983che mi ha fatto notare l'errore mai corretto.

Questo è lo schema dell'indicatore a display
contaDiodi3-1-schema.jpg
Di seguito gli stampati e i disegni di montaggio
Conta diodi3-1-layout.jpg
Chi volesse i PDF, più chiari come visualizzazione, li trova qui:
PCB
Schema

il display è il PSA08-11SRWA
trovate il datasheet qui http://pdf1.alldatasheet.com/datasheet- ... 1SRWA.html
Potete usare il display che più vi piace, l'importante è che sia del tipo ad "Anodo Comune" visto che dal GPS escono dei negativi.

i due circuiti sono piazzati dentro due contenitori plastici

NP5835161 58x35x16
NP7340201 73x40x20

il più piccolo per il display, l'altro per "l'elettronica" necessaria per visualizzare i numeri e la lettera N per la folle.
Per collegare l'elettronica al GPS ho usato un connettore 9 poli femmina, per collegare i due circuiti va bene anche uno spezzone di cavo a 10 fili.
l'interruttore inserisce la limitazione di potenza sulle prime tre marce. Se è attivato, oltre alla marcia ( 1 2 3 ) si accende anche il punto decimale.
L'alimentazione va presa da un positivo sotto chiave, con un fusibile da 1 Ampere, non lo ho ancora cercato, per adesso sto provando a pile.
Non vi metto le foto del lavoro installato, perchè è ancora sotto lavori.
Per adesso la moto assomiglia alla creatura di Frankenstin...non ha un bell'aspetto.
Per adesso ho attaccato col biadesivo lo scatolino del display alla destra del contachilometri, mentre l'altra scatola è incastrata sotto al serbatoio. Metterò l'interruttore su quest'ultima scatola, in posizione riparata sia da azionamenti involontari, sia dall'acqua.
Sto lavorando al display senza scatola, anche se non so come e dove fissarlo.
Mi piacerebbe metterlo fra contagiri e contachilometri, inposizione arretrata, ma la copertura cromata degli strumenti crea dei riflessi assurdi di sera.
Si vede benino col sole, certo non è visibile come un LCD, ma va bene.
Di notte non disturba troppo

Non è obbligatorio realizzare lo stampato, si può fere tutto su mille fori.

Non volete attivare la limitazione di potenza?
Non mettete i diodi 32-33-34-35 e l'interruttore e non collegate il filo fra DP1 e DP2

Volete fare il display senza contenitore?
Mettete le resistenze dentro la scatola del circuito a diodi e saldate direttamente i fili ai piedini del display.

Non volete o non potete realizzare la matrice a diodi?

Piazzate 6 led sul cruscotto ( 7 se volete anche la folle ) e collegateli ( tramite resistenze appropriate ) direttamente al GPS.
Secondo mè non è male per nulla come risultato, fa un po "Vintage" in linea con la strumentazione.Finito il display, voglio fare anche questa soluzione.

E' un lavoro da matti?
Si, ma per mè è stata una soddisfazione riuscire nell'impresa, posso dire "questo l'ho fatto io". C'è da lavorare, è vero.Ma nel titolo ho ben specificato "autocostruito", quindi è sottinteso che bisogna sporcarsi le mani.
Non è possibile per mè fare una guida passo passo anche per chi è completamente digiuno di elettronica, ma il circuito è alla portata di chiunque abbia un minimo di dimestichezza con lo stagnatore.Verrà più grande, più piccolo, , più brutto ( non credo ), più figo, insomma verrà il VOSTRO indicatore di marcia inserita. ( non chiamiamolo contamarce, non è quello che fa...)
Il mio obiettivo principale con questa guida è quello di illustrare a tutti i fatelli di moto come fare per tirare fuori dal carter un segnale elettrico relativo alla marcia inserita. E credo di esserci riuscito
Mi sembrava doveroso completare anche il discorso con la parte indicatrice vera e propria, anche se questa è solo un esempio di come giungere alla soluzione.

Prima di chiedere se si può usare un gipro o simili vi rispondo subito "credo e ripeto CREDO di si".
E' una ipotesi nata da alcuni commenti fatti da altri utenti, a partire da:
riposseduto ha scritto:ciao dip.
sono fresco di swap motore k3 su serie perfetta e ti confermo che ho dovuto utilizzare il GPS della vecchia. quello della K3 è simile a quello comprato da te, ha un contatto per ogni marcia.
Quindi il GPS della K3 e successive compreso Vstrom ( DL650) essendo lo stesso ricambio (grazie Ballestri) può andare direttamente al posto dell'originale.
Ci si risparmia il lavoro di lima.
Denethor ha scritto:Dip io ricordo solo che montando il gipro (che ha due spinotti, uno da collegare allo spinotto che viene dal GPS e l'altro da collegare a quello che poi andrà alla centralina) erano proprio 3 i cavi del GPS e se non sbaglio uno era proprio rosa.... Comunque quello di cui sono sicuro è che non ho perso il folle con le sue sicurezze, e le limitazioni in 2 e 3 marcia con il gipro posso scegliere io se toglierle o no. Questo perché il gipro funziona in questo modo: prende il segnale della marcia inserita dal GPS te la mostra sul display e poi manda alla centralina lo stesso valore della marcia che hai, se invece vuoi togliere le limitazioni manderà alla centralina il valore che sei sempre in sesta tranne il quando metti il folle
.................................................
Sì c'è un filo rosa, uno blu ed uno bianco nero

Se ti vuoi fare un'idea sul gipro http://sv650.metromain.net/sv_pics/gipr ... ctions.pdf" onclick="window.open(this.href);return false;" onclick="window.open(this.href);return false;"
Queste sono le istruzioni di montaggio
Il circuito " della folle" è lo stesso fra 99/02 e 03 e successive.Questo lo desumo dagli schemi trovati nel forum
a pagina 13 http://www.sv-italia.it/sv_items/artico ... System.pdf" onclick="window.open(this.href);return false;" onclick="window.open(this.href);return false;" onclick="window.open(this.href);return false;" onclick="window.open(this.href);return false;" onclick="window.open(this.href);return false;" onclick="window.open(this.href);return false;" onclick="window.open(this.href);return false;" onclick="window.open(this.href);return false;" onclick="window.open(this.href);return false;" onclick="window.open(this.href);return false;" onclick="window.open(this.href);return false;" onclick="window.open(this.href);return false;
a pagina 12 http://www.sv-italia.it/manuali/mod_99/ ... ttrico.pdf" onclick="window.open(this.href);return false;" onclick="window.open(this.href);return false;" onclick="window.open(this.href);return false;" onclick="window.open(this.href);return false;" onclick="window.open(this.href);return false;" onclick="window.open(this.href);return false;" onclick="window.open(this.href);return false;" onclick="window.open(this.href);return false;" onclick="window.open(this.href);return false;" onclick="window.open(this.href);return false;" onclick="window.open(this.href);return false;" onclick="window.open(this.href);return false;

Ok, il connettore K3 ha tre fili, per per la sicurezza della Folle bisogna collegare il filo blu del Gipro, lato cablaggio moto, k3 al filo blu del connettore originale, e bisogna anche collegare fra loro i fili neri ( o neri/bianchi ), sempre lato cablaggio moto.
Ovviamente dopo aver tagliato il connettore originale ad una lunghezza tale da poter fare i collegamenti.
Nell'originale, i due fili rimanenti rosso e verde vanno isolati.
Non ci sarà più la limitazione in 2à e 3à, non è una disgrazia, una volta che l'avrete eliminata, non vorrete più tornare indietro, garantito, con l'interruttore che ho nel circuito sperimentale la posso inserire e togliere al volo e quasi quasi il definitivo sarà senza, sempre a tutta potenza.
Nel connettore del Gipro lato cablaggio moto, il filo rosa va isolato.

Ripeto, CREDO che così funzioni, però i costi lievitano, GPS usato a parte dovrei aver speso meno di 20€ con una manata di connettori che non mi servono neanche.
Il display costerà al massimo 2€...Fate voi, proverei a sporcarmi le mani.

Ripetere giova:
Il GPS K3 non è utilizzabile col circuito da mè realizzato, ma se conoscete qualcuno che si diletta con i microcontrollori della famiglia PIC, allora tiratelo in ballo e fategli studiare schema e programma. Io non sono in grado, purtroppo.

Per ultimo un link al vecchio forum, argomento che lessi anni fa e che mi accese il tarlo, e mi fece conoscere sto maledetto/benedetto Gear Position Sensor
http://www.sv-italia.it/forum.old/viewt ... bd54051393" onclick="window.open(this.href);return false;" onclick="window.open(this.href);return false;" onclick="window.open(this.href);return false;" onclick="window.open(this.href);return false;" onclick="window.open(this.href);return false;" onclick="window.open(this.href);return false;" onclick="window.open(this.href);return false;" onclick="window.open(this.href);return false;" onclick="window.open(this.href);return false;" onclick="window.open(this.href);return false;" onclick="window.open(this.href);return false;
Ultima modifica di dip il mer mag 07, 2014 12:00 am, modificato 2 volte in totale.
Immagine
Ora che so di non sapere, sto imparando ad imparare

Denethor
Smanettone
Smanettone
Messaggi: 590
Iscritto il: mer feb 23, 2011 1:42 pm
Moto: Suzuki SV 650 S K5
Località: Tivoli (RM)

R: Contamarce 650 prima serie ( carburatori ) autocostruito

Messaggio da Denethor » ven ott 05, 2012 7:43 am

Grande! Gran bel lavoro...

Inviato dal mio ViewSonic-V350 con Tapatalk 2

ghino46
Postino
Postino
Messaggi: 245
Iscritto il: gio giu 28, 2012 10:59 am
Moto: SV650n
Località: Sulmona(AQ)

Re: Contamarce 650 prima serie ( carburatori ) autocostruito

Messaggio da ghino46 » dom ott 07, 2012 2:01 pm

dip per caso hai la possibilità di avere i codici e prezzi del GPS k3?

dip
Pilota Ufficiale
Pilota Ufficiale
Messaggi: 4905
Iscritto il: dom lug 25, 2010 11:42 am
Moto: SV 650 K2
Nome: Stefano
Località: Faenza ( Ra )

Re: Contamarce 650 prima serie ( carburatori ) autocostruito

Messaggio da dip » dom ott 07, 2012 2:41 pm

Ripeto, il GPS k3 potrebbe andare sulla 99/02, non l'ho mai provato.E' una deduzione fatta in base ai commenti di altri utenti
Sicuramente il connettore è diverso e per collegare la folle devi tagliare il connettore del GPS originale.
Il GPS k3 ha questo codice:
37730-20F00
Il prezzo da nuovo se non ricordo male si aggira sui 70€.
Onestamente, lo cercherei su Ebay, venditori esteri, mettendo nella ricerca gear position
Va bene anche quello per la V-strom 650/DL650 e più in generale per tutti i modelli 650 dal 2003 al 2011.

http://www.ebay.com/itm/380477661155?it ... e3&vxp=mtr" onclick="window.open(this.href);return false;
Immagine
Ora che so di non sapere, sto imparando ad imparare

dip
Pilota Ufficiale
Pilota Ufficiale
Messaggi: 4905
Iscritto il: dom lug 25, 2010 11:42 am
Moto: SV 650 K2
Nome: Stefano
Località: Faenza ( Ra )

Contamarce 650 prima serie autocostruito: Display 1°

Messaggio da dip » lun ott 15, 2012 10:50 pm

Sono tornato, la telenovela non è finita.
Modificato ed adattato il GPS della GSX dell'82 credevo che il resto fosse più rapido da realizzare.
In effetti si, dopo averlo fatto, ma per realizzare una applicazione decente ci ho studiato su un bel po.
E' vero che la complicazione principale deriva dalla scelta del display stesso, è un poco grandicello ( o meglio, è una montagna ) ma è il display più luminoso che ho trovato.
La prima scelta, quello di piazzare il display in uno catolino da applicare al cruscotto è funzionale, ma non mi soddisfa pienamente.
0-scatola.jpg
Quindi ho deciso di piazzarlo dentro agli strumenti.
Con un poco di collante ci starebbe anche, ma mi sembra veramente buttato li a caso.
Non è possibile incassarlo a filo del quadrante, sotto non c'è lo sazio sufficente
3-display interno.jpg
Quindi la mia soluzione definitiva è questa:
8-folle.jpg
Siccome avevo il cruscotto smontato ho fatto passare i fili all'interno.
Credo di averci messo quasi un ora prima di decidermi a forare, presa la decisione si fa in cinque minuti netti.

dip
Pilota Ufficiale
Pilota Ufficiale
Messaggi: 4905
Iscritto il: dom lug 25, 2010 11:42 am
Moto: SV 650 K2
Nome: Stefano
Località: Faenza ( Ra )

Contamarce 650 prima serie autocostruito: Display 2°

Messaggio da dip » lun ott 15, 2012 11:03 pm

saldature.jpg
Bisogna accorciare i piedini del display e una volta saldati i fili bisogna piegare all'interno i piedini stessi.
Una colata di colla a caldo sul fondo del display protegge i collegamenti dall'acqua.
Ho tagliato col cutter il finto tasto alla destra del contachilometri, poi ho forato la plastica con una punta da 6mm per far passare i fili
4-passaggio fili.jpg
Ho fissato e sigillato il perimetro del display con la colla a caldo, e una volta indurita ho applicato altra colla all'interno sul passaggio dei fili
5-sigillo.jpg
Siccome l'acqua entrerà ugualmente, ho forato il fondo del cruscotto, nella parte che risulta essere la più bassa, sia per far uscire l'acqua, sia per far passare i fili.
Ora, di acqua ne entrerà veramente poca, goccie, ma se non trova uno sfogo, prima o poi riempirà il cruscotto.

dip
Pilota Ufficiale
Pilota Ufficiale
Messaggi: 4905
Iscritto il: dom lug 25, 2010 11:42 am
Moto: SV 650 K2
Nome: Stefano
Località: Faenza ( Ra )

Contamarce 650 prima serie autocostruito: Display 3°

Messaggio da dip » mar ott 16, 2012 12:12 am

1-elettronica.jpg
Questo è il circuito a diodi che serve per ottenere i numeri e se volete la "N" per la folle. ( ci mancano i collegamenti verso il display e verso il GPS )
Per collegare il display al circuito conviene saldare direttamente i fili che vengono dal display nel circuito, senza connettori in mezzo. Se un domani bisogna smontare il cruscotto, si staccherà il connettore del GPS e si sfila il cablaggio. Se si dovesse aprire il cruscotto, si taglieranno i collegamenti. Altrementi per mettere un connettore, bisognerebbe fare uno squarcio nel fondo del criuscotto per poterlo sfilare. Il gioco non vale la candela.
Fisserò la scatola col circuito dietro il fanale, non metto l'interruttore per attivare la limitazione di coppia ( T.R.E. ), è veramente castrante. Sul bagnato, con le Rennsport, vado meglio a dosare il gas senza castrature elettroniche.

Non chiedetemi qui delle gomme, nel sottoforum GOMME c'è già il mio commento

Comunque il circuito funziona, per chi lo volesse utilizzare, ed il display lo ricorda. Ho voluto mettere la alimitazione anche in prima, e si capisce se è inserita dal punto che si accende.
7-primaTRE.jpg
Se non c'è limitazione, il punto rimane spento. Dalla quarta in poi, anche con l'interruttore attivato, il punto è sempre spento
6-prima.jpg
Ho anche sperimentato la versione a soli led, solo per le marce è sufficente tanto per la folle c'è gia la spia di serie nel cruscotto.
E' semplice da fare, bastano 6 diodi colorati come volete e una sola resistenza che va al positivo sotto chiave per alimentare i led.
Volendo si possono mettere i led all'interno del contachilometri, attaccandoli al bordo del coperchio e facendo passare i fili dietro al quadrante.
Lo spazio è sufficiente, non lo faccio perchè ormai ho deciso e piazzato il display, comunque i led in fila di lato al contachilometri fanno già una bella figura, e dopo poco si capisce al volo in che marcia si è.
Se poi si usano dei colori diversi già questo aumenta il colpo d'occhio.

Domanda: Serve l'indicatore di marcia inserita?
Risposta: Si, non in ogni minuto, ma in una scalata a raffica viene in aiuto per capire se tutte le marce sono andate via come volevo.

D:Serve l'indicazione della folle?
R:A mè si, ogni tanto ho fatto delle sfollate clamorose perchè non ho notato la spia verde accesa, quindi la metterei anche nell'indicatore a Led

D:Quanto costa farlo?
R:Dipende da quanto si paga il GPS da adattare, sulla Baya ne ho trovati diversi dai 20 ai 30 € spediti a casa, per il display e i diodi necessari, due connettori DB9 maschio e femmina, conchiglie e scatola un decina di Euro bastano.

D:Mi metti il link dove trovare i componenti elettronici?
R:No, non saprei dove indirizzarti se non sul catalogo più famoso di RS component, per chi è della zona di Ravenna posso dire che ho preso tutto dal buon Claudio di CS Elettronica.
Il display che ho usato è questo:
PSA08-11SRWA
trovate il datasheet qui http://pdf1.alldatasheet.com/datasheet- ... 1SRWA.html" onclick="window.open(this.href);return false;" onclick="window.open(this.href);return false;
Ma siete liberi di sbizzarrirvi.
I diodi sono dei comuni 1n4148 e le resistenze di limitazione sono da 390Ohm, 1/4W per avere la massima luminosità.

Conclusioni:
Spero di essere stato di aiuto a qualcuno, spero di avervi dato spiegazioni su come tirar fuori un segnale per ogni marcia e come funziona un indicatore di marcia.
Sulla baya si trovano dei contamarce compatibili col GPS adattato come da mè spiegato, ma hanno la limitazione a cinque marce,indicano da 0 a 5, costano pochi euro e li trovate come GEAR INDICATOR.
Vi trovate dei GEAR SHIFT INDICATOR intorno ai 20€, non necessitano di modifiche al GPS, ma hanno dei contatti magnetici da posizionare nei pressi della leva del cambio. La soluzione mi fa un pò ribrezzo, anzi schifo, ma costano poco.
Oppure vi orientate sul GPT 2001, sfrutta i giri e la velicità della ruota anteriore senza dover applicare sensori alla ruota o modifiche ed adattamenti al GPS, però da fermi o con la frizione tirata, saltano tutte le indicazioni.
Se aveta una K3 o superiore, siete a posto. Il vostro GPS vi da già tutte le tensioni necessarie per un contamarce, dovete solo scegliere quello che più vi soddisfa. Oppure progettate voi un circuito con un Pic 16F876 che ha già a bordo il convertitore analogico/digiale.
Io sono ignorante in materia di programmazione microcontrollori, quindi non vi posso aiutare su questa strada.

Cordiali saluti,
Dip

( mi piaceva mettere una conclusione formale, comunque rimango quì, a disposizione per chiarimenti o suggerimenti )
Immagine
Ora che so di non sapere, sto imparando ad imparare

emmeand
Pilota Ufficiale
Pilota Ufficiale
Messaggi: 2403
Iscritto il: lun mag 09, 2005 12:39 pm
Moto: SV650S'99 ZX636R'04
Località: Faenza
Contatta:

Re: Contamarce 650 prima serie ( carburatori ) autocostruito

Messaggio da emmeand » mar ott 16, 2012 9:22 am

"T'an è e contamarce, Callaghan..."

Ho seguito tutto il discorso... ma mi sono un pò perso quando ho capito che il GPS non c'entrava un cavolo con il segnale del tomtom.

mi prenoto per quando la vendi a pezzi !

Scherzi a parte, gran bel lavoretto (lavorone). ne verrebbe fuori un ottimo articolo tecnico.
"GAS A TÚB AVÉRT, E FRÈNA A L'ULTUM MINUT".

Immagine

dip
Pilota Ufficiale
Pilota Ufficiale
Messaggi: 4905
Iscritto il: dom lug 25, 2010 11:42 am
Moto: SV 650 K2
Nome: Stefano
Località: Faenza ( Ra )

Contamarce 650 prima serie autocostruito: LED

Messaggio da dip » mer ott 17, 2012 11:41 pm

Per i curiosi, questa è la versione a LED, lo rimessa al volo, solo per fare le foto.
Sono sgranate, non ho puotuto usare il flash, altrementi il flash illuminava tutte le spie...
Ovviamente mi sono complicato la vita, i led sono inscatolati e di fronte c'è in trasparente il numero di marcia...
Lasciate perdere i numeri, sono una finezza, ma una palla da mettere su...
Led1.jpg
Led della prima acceso
Led2.jpg
Led della terza acceso
L'effetto è migliore dal vivo che in foto, garantito.
Lo scatolotto è attaccato col biadesivo, l'ho usato su strada per una settimana e non ha mai mosso
Immagine
Ora che so di non sapere, sto imparando ad imparare

Rispondi